一、蝸輪蝸桿用途:
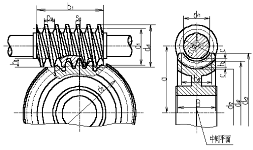
蝸輪蝸桿機構常用來傳遞兩交錯軸之間的運動和動力。蝸輪與蝸桿在其中間平面內相當于齒輪與齒條,蝸桿又與螺桿形狀相似。
二、蝸輪蝸桿特點:
1、可以得到很大的傳動比,比交錯軸斜齒輪機構緊湊。
2、兩輪嚙合齒面間為線接觸,其承載能力大大高于交錯軸斜齒輪機構。
3、蝸桿傳動相當于螺旋傳動,為多齒嚙合傳動,故傳動平穩、噪音很小。
4、具有自鎖性。當蝸桿的導程角小于嚙合輪齒間的當量摩擦角時,機構具有自鎖性,可實現反向自鎖, 即只能由蝸桿帶動蝸輪,而不能由蝸輪帶動蝸桿。如在其重機械中使用的自鎖蝸桿機構,其反向自鎖性可起安全保護作用。
5、傳動效率較低,磨損較嚴重。蝸輪蝸桿嚙合傳動時,嚙合輪齒間的相對滑動速度大,故摩擦損耗大、效率低。另一方面,相對滑動速度大使齒面磨損嚴重、發熱嚴重,為了散熱和減小磨損,常采用價格較為昂貴的減摩性與抗磨性較好的材料及良好的潤滑裝置,因而成本較高。
6、蝸桿軸向力較大。

三、蝸輪蝸桿應用:
蝸輪蝸桿機構常被用于兩軸交錯、傳動比大、傳動功率不大或間歇工作的場合。